
RJU系列關節模組一款全新的,有別于RJS系列,RJS-II系列,SHD系列,等傳統外形的機器人關節,而是一款能夠給機器人更多設計空間,和應用領域的關節,客戶可根據自身產品方向,自由定位。
【主要特性】
無封裝外殼
以滿足客戶自主設計機械臂外形的需求
更精準
采用雙編碼器實現全閉環控制,輸出端重復定位精度可達0.001°
更輕巧
減速器采用中空超扁平設計,結構更緊湊,整機更小巧,關節自重更輕,重量<1.2Kg。
超大力矩
連續輸出扭矩為10~450N.m。
應用范圍廣
自動化組裝生產,自動化物流分揀,無人零售,康復醫療及手術輔助,電力巡檢等
更安全
驅動器過流、過溫、過壓欠壓、位置超差、短路、I2t、控制錯誤等全面的安全保護設計
更方便
常規為48VDC供電,24~60VDC之間供電可選
低功耗
RJU14正常工作最小僅20W,3KG協作機器人普通工況下功耗約150W。
更友善
EtherCAT,CANopen通信可選,支持大部分主流機器人控制器
定制
為客戶提供OEM定制化服務
【規格參數】
| 參數 | 單位 | RJU(Z)14 | RJU(Z)17 | RJU(Z)20 | RJU(Z)25 |
| 基本性能 | |||||
| 啟停容許最大轉矩 | Nm | 34 | 66 | 102 | 194 |
| 平均負載轉矩 | Nm | 13.5 | 49 | 61 | 133 |
| 靜態負載轉矩 | Nm | 21.2 | 49.9 | 56.6 | 99 |
| 最大瞬時轉矩 | Nm | 66 | 134 | 182 | 351 |
| 最大許用彎矩 | Nm | 41 | 72 | 140 | 243 |
| 最大瞬時彎矩 | Nm | 80 | 140 | 280 | 480 |
| 額定轉速 | rpm | 29.7 | 29.7 | 29.7 | 19.8 |
| 最大轉速 | rpm | 47.5 | 35 | 35 | 37.6 |
| 電氣性能 | |||||
| 電機額定功率 | W | 118 | 146 | 210 | 400 |
| 電機額定電壓 | VDC | 48 | 48 | 48 | 48 |
| 電機額定電流 | A | 4.2 | 5.7 | 7 | 11.5 |
| 峰值電流 | A | 10.5 | 14.25 | 17.5 | 28.75 |
| 通訊協議 | -- | EtherCAT/CANopen | |||
| 機械性能 | |||||
| 關節重量 | kg | 1.47(1.14) | 2.4(1.75) | 2.42(1.96) | 4.1(3.2) |
| 關節直徑 | mm | 76(70) | 86(80) | 96(92) | 116(110) |
| 關節長度 | mm | 117.5(107) | 124.3(114) | 123(113) | 134.3(123) |
| 抱閘 | -- | 插銷式(UR類型) | |||
| 輸出端編碼器 | -- | 17位單圈絕對值 | |||
| 電機編碼器 | P/R | 20000 | |||
| 減速器速比 | -- | 101 | 101 | 101 | 101 |
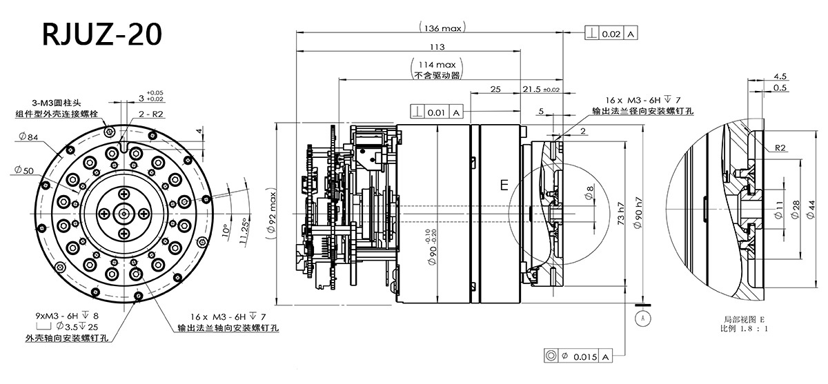
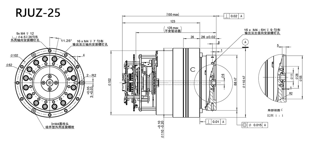
【機械尺寸外形圖】



































第1年







柔性關節機器人-深圳泰科智能機器人
深圳泰科智能機器人SHD系列旋轉執行
泰科智能機器人 TA6-R5協作機器人
泰科智能機器人RJU14機器人關節模組
深圳泰科智能機器人編碼器-大中空高
深圳泰科智能IBL系列微型可編程直流
TB6-R10六軸協作機器人-防護等級高-
泰科智能IBL系列微型可編程直流伺服
手機圖頁網



