

【主要特性】

減速器采用中空超扁平設計,結構更緊湊,整機更小巧,執行器自重更輕<1.5kg
執行器根據實際需求定制安裝抱閘,讓機器人開發更自由
高精度絕對值編碼器,精準控制運動軌跡,多圈絕對值編碼器分辨率標配16單圈和16多圈,保障機器人定位更精準、運行軌跡的穩定性更好
減少機器人開發過程中執行器的研發成本及人員投入
主要面向科研教學,醫療儀器領域
智能執行器SHD主要分為:SHD-14、SHD-17及更多系列敬請期待...
【規則參數】

| 基本性能 | |||||||
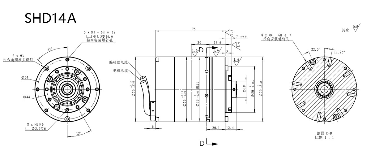
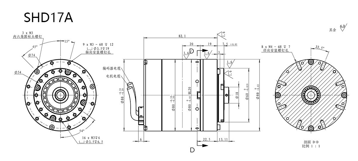
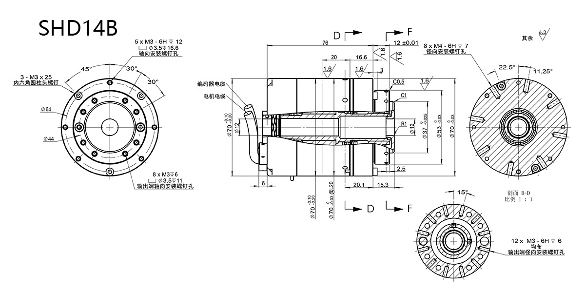
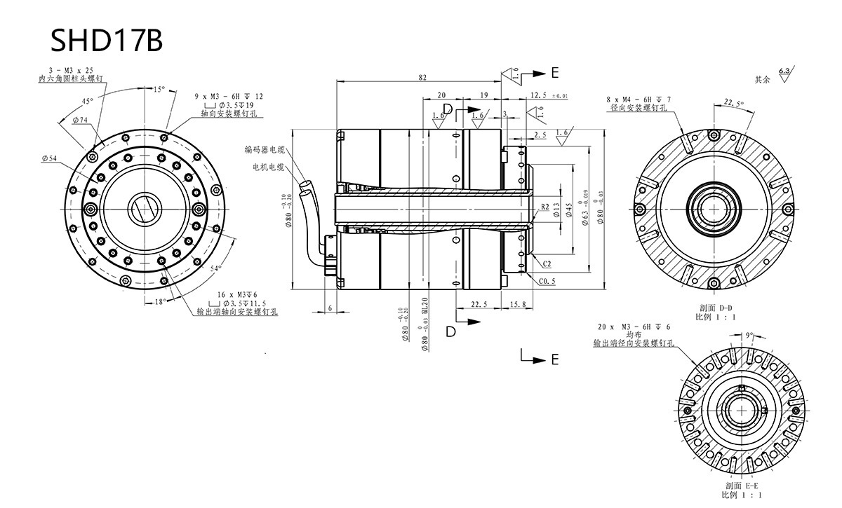
| 參數類型 | 單位 | SHD14A | SHD17A | SHD14B(中空) | SHD17B(中空) | SHD20-B | SHD14-B2 |
| 許用負載轉矩 | Nm | 28 | 54 | 28 | 54 | 82 | 28 |
| 平均負載轉矩 | Nm | 7.8 | 24 | 7.8 | 24 | 40 | 7.8 |
| 最大瞬時轉矩 | Nm | 54 | 110 | 54 | 110 | 147 | 54 |
| 額定轉速 | rpm | 29.7 | 19.8 | 29.7 | 19.8 | 29 | 29.7 |
| 最大轉速 | rpm | 42.5 | 35 | 42.5 | 35 | 35 | 42.5 |
| 定位精度 | 度 | 0.001 | 0.001 | 0.001 | 0.001 | 0.001 | 0.001 |
| 電氣性能 | |||||||
| 額定電流 | A | 4.2 | 5.7 | 4.2 | 5.7 | 6 | 4.2 |
| 峰值電流 | A | 10.5 | 14.25 | 10.5 | 14.25 | 15 | 10.5 |
| 工作電壓 | V | 48 | 48 | 48 | 48 | 48 | 48 |
| 輸出功率 | W | 118 | 148 | 118 | 148 | 200 | 118 |
| 通訊協議 | -- | Ethercat/Canopen | |||||
| 機械性能 | |||||||
| 直徑 | mm | 70 | 80 | 70 | 80 | 90 | 70 |
| 長度 | mm | 75 | 82 | 76 | 82 | 88 | 93 |
| 重量 | kg | 1.07 | 1.458 | 1.26 | 1.458 | 2.2 | 1.5 |
| 減速比 | -- | 101 | 101 | 101 | 101 | 101 | 101 |
| 抱閘 | -- | 無 | 無 | 無 | 無 | 無 | 有 |
| 絕對值編碼器 | Bit | 16位單圈/16位多圈絕對值 | 16位單圈/16位多圈絕對值(可選20000P/R增量編碼器) | ||||
| 溫/濕度 | |||||||
| 工作溫度 | -- | 0 - 50℃ | |||||
| 濕度 | -- | 90%相對濕度(非冷凝) | |||||
| 環境要求 | |||||||
| IP等級 | -- | IP54 | |||||
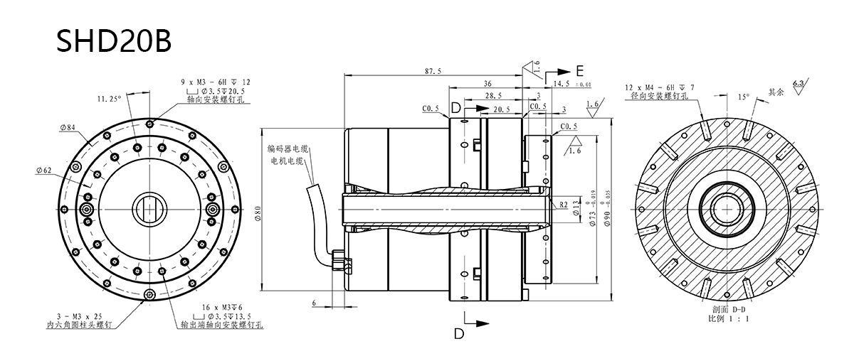
【機械尺寸外形圖】









































第1年







泰科智能TB6機械手臂6軸工業協作機
深圳泰科智能IBL系列微型可編程直流
泰科智能機器人RJU14機器人關節模組
深圳泰科智能RJS系列機器人關節模組
深圳泰科智能APXS小型無刷交流伺服
深圳泰科智能APX系列音圈無刷伺服電
手機圖頁網



