- 精 度:
- 0.05%
- 帶 寬:
- -3 dB 10 Hz
- 轉換速率:
- 10 Sps
通道隔離型AD數據采集模塊
數據采集輸入通道隔離后不會產生地線環流和相互干擾
產品特點
產品特點
● 各輸入信號通道之間全隔離,隔離電壓3000VDC
● 數據采集隔離轉換成RS485/232支持Modbus RTU通訊協議
● 測量精度優于0.05%,可以程控校準模塊精度
● 信號輸入 / 輸出之間隔離耐壓3000VDC
● 低成本、小體積模塊化設計方便桌面或導軌安裝使用 程變
● 寬電源供電范圍:8 — 50VDC
● 可靠性高,編程方便,易于安裝和布線
● 用戶可編程設置目標模塊地址、波特率等
● 可直接根據現場數據采集顯示結果進行監控
典型應用
● 工業設備運行測量、監視和遠程控制
● 智能樓宇控制、安防工程等自動化系統監控
● RS232/485總線工業自動化系統遠程監測
● 傳感器信號隔離轉換及長線傳輸
● 模擬信號A/D轉換、調整及遠送
● 工業現場多路運行數據的獲取與記錄
● 醫療、工控產品開發
● 模擬量4-20mA/0-10V采集隔離及變送
概述
Sunyuan ISO AD系列全隔離型模擬量轉數字量產品(亞當模塊)可實現多個傳感器和主機之間的信號安全隔離和高精度數據采集、隔離轉換、監控與傳輸。產品廣泛應用于RS-232/485總線工業自動化控制系統,4-20mA / 0-10V信號測量、監視和控制,小信號的測量以及工業現場信號隔離及長線傳輸等遠程監控場合。通過軟件的配置,可接入多種傳感器類型,包括電流輸出型、電壓輸出型等等。 ISO AD系列產品按工業標準設計制造,各輸入通道之間信號完全獨立隔離(不共地)。每一路獨立通道中信號輸入 / 輸出之間也是隔離的,隔離電壓3KVDC,抗干擾能力強,可靠性高。工作溫度范圍- 45℃~+80℃。 產品內部包括模擬信號隔離放大器、電源隔離,信號隔離、線性化,A/D轉換和RS-485串行通信等模塊。每個串口最多可接256只ISO AD系列模塊,通訊方式采用ASCII碼字符通訊協議或MODBUS RTU通訊協議,其指令集兼容于ADAM模塊,波特率可由用戶設置,能與其他廠家的控制模塊掛在同一RS-485總線上,便于主機編程。 ISO AD系列AD產品是基于單片機的智能監測和控制系統,所有用戶設定的校準值,地址,波特率,數據格式,校驗和狀態等配置信息都儲存在非易失性存儲器EEPROM里。

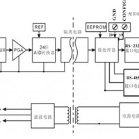
圖1 ISO AD 02A 兩通道隔離型AD數據采集模塊產品原理框圖

圖2 ISO AD 04A 四通道隔離型AD數據采集模塊產品原理框圖
ISO AD02/4A功能簡介
ISO AD02/4A通道隔離型AD數據采集模塊,可用來測量輸入回路完全獨立的兩路(或四路)的電流或電壓信號,各數據采集輸入通道隔離后不會產生地線環流和相互干擾,滿足工業現場過程控制高可靠性能需要。 模擬信號輸入,24位采集精度,產品出廠前所有信號輸入范圍已全部校準。在使用時,用戶也可以很方便的自行編程校準。具體電流或電壓輸入量程請看產品選型,測量兩路信號時兩路輸入選型必須相同。 1、 通訊協議 通訊接口: 1路標準的RS-485通訊接口和1路標準的RS-232通訊接口。 通訊協議: 支持兩種協議,ASCII字符協議和MODBUS RTU通訊協議。可通過編程設定使用那種通訊協議,能實現與多種品牌的PLC、RTU或計算機監控系統進行網絡通訊。 數據格式:10位。1位起始位,8位數據位,1位停止位。 通訊地址:(00H-FFH)和波特率(300、600、1200、2400、4800、9600、19200、38400bps)均可設定;通訊網絡最長距離可達1200米,通過雙絞屏蔽電纜連接。通訊接口高抗干擾設計,±15KV ESD保護,通信響應時間小于100mS。 2、 抗干擾 可根據需要設置校驗和。模塊內部有瞬態抑制二極管,可以有效抑制各種浪涌脈沖,保護模塊,內部的數字濾波,也可以很好的抑制來自電網的工頻干擾。
通用參數
(typical @ +25℃,Vs為24VDC)
輸入類型: 電流輸入 / 電壓輸入
精 度: 0.05%
輸入失調: ±0.1 uA/℃
溫度漂移: ±15 ppm/℃ (±30 ppm/℃, 最大)
輸入電阻: 50Ω (4-20mA/0-20mA/0-±20mA電流輸入)
100Ω (0-10mA/0-±10mA電流輸入)
1KΩ (0-1mA/0-±1mA電流輸入)
大于1MΩ(電壓輸入)
帶 寬: -3 dB 10 Hz
轉換速率: 10 Sps
共模抑制(CMR): 120 dB(1kΩ Source Imbalance @ 50/60 Hz)
常模抑制(NMR): 60 dB (1kΩ Source Imbalance @ 50/60 Hz)
輸入端保護: 過壓保護,過流保護
通 訊: 協議 RS-485 或 RS-232 ASCII碼字符協議 和 MODBUS RTU通訊協議
波特率(300、600、1200、2400、4800、9600、19200、38400bps)可軟件配置
地址(00H~FFH)可軟件配置
通訊響應時間:100 ms 最大
工作電源: +8 — 50 VDC寬供電范圍,內部有防反接和過壓保護電路
功率消耗: 小于1W
工作溫度: - 45 — +80℃
工作濕度: 10 — 90% (無凝露)
存儲溫度: - 55 — +85℃
存儲濕度: 10 — 95% (無凝露)
隔離耐壓: 輸入 / 輸出 或通道間 之間: 3KVDC,1分鐘,漏電流 1mA 其中輸出和電源共地。
耐沖擊電壓: 3KVDC, 1.2/50us(峰值)
外形尺寸: 123 mm x 70 mm x 30mm
模塊校準
校準必須在ASCII字符通訊協議下進行。Modbus協議下不支持校準。 產品出廠時已經校準,用戶無需校準即可直接使用。使用過程中,用戶也可重新校準模塊。在校準時,模塊需要輸入合適的信號,不同的輸入范圍需要不同的輸入信號。 為了提高校準精度,建議使用以下設備來校準: 1、一個輸出穩定,噪聲很低的直流電壓/電流信號源 2、一個5位半或更高精度的電壓/電流測量儀表監測輸入信號的準確性 校準過程 1. 選擇要校準的輸入通道,按照模塊的輸入范圍接上對應的輸入信號。 2. 其中ISO AD02/4A模塊零點在輸入0時校準,滿度在輸入滿度的120%時校準。例如4-20mA輸入時,校準零點時輸入0mA,校準滿度時輸入24mA.(0-5V輸入時,校準零點時輸入0V,校準滿度時輸入6V)。 3. 給模擬輸入模塊需要校準的通道輸入零點信號,通常為0mA或0V。 4. 待信號穩定后,向模擬輸入模塊發送 偏移校準 $AA1N 命令(N代表當前正在校準的通道代號,0或1)。 5. 給模擬輸入模塊需要校準的通道輸入滿度的120%的電流或電壓信號。 6. 待信號穩定后,向模擬輸入模塊發送增益校準 $AA0N 命令(N代表當前正在校準的通道代號,0或1)。 7. 校準完成


































第1年
通過認證 







儀器儀表10KV高隔離抗靜電穩壓保護
順源科技兩線制無源隔離變送器
兩線制4-20mA差分信號采集調理器
電能表專用6KVAC高隔離防靜電DC/DC
智能化多路數據采集顯示控制模塊
兩線制無源型4-20mA轉電壓信號低成
兩線無源I / V轉換隔離變送器
順源科技定電壓輸入隔離正負穩壓雙
電能表專用6KVAC高隔離防靜電DC/DC
順源供應具有計算功能隔離放大器:DI
手機圖頁網



