- 輸 入:
- 3.3,5,12,15,24VDC
- 輸 出:
- 3.3,5,9,12,15VDC
- 隔離電壓:
- 6000VAC
DC-DC電源模塊:WRH系列. 電能表專用6KVAC高隔離防靜電DC/DC模塊電源.
| 產品類別: | DC-DC/DC-AC/AC-DC 模塊電源 >> 電力醫療儀器儀表高隔離抗浪涌型電源模塊(WRF/WRH/WRFH/WDH等) | ||
| 輸 入: | 3.3,5,12,15,24VDC | 輸 出: | 3.3,5,9,12,15VDC |
| 功 率: | 0.25W-2W | 隔離電壓: | 6000VAC |
| 封裝方式: | SIP7 | 關 注 度: | 該產品已被關注 1899 次 |
| 說 明: | DC-DC電源模塊:WRH系列. | ||
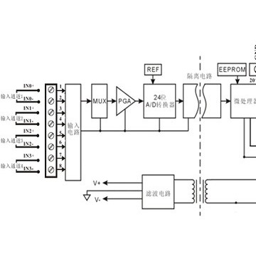
順源科技研制生產的電能表專用6KVAC高隔離防靜電DC/DC轉換器,是一款具有高電氣隔離和抗浪涌、防靜電特性,且輸出具有自恢復過載和短路及8KV抗靜電保護功能的國家專利產品(專利號:ZL 200420042857.1)。近期該產品在電力負荷管理控制終端(用戶管理終端)儀表外接RS485/RS232接口安全高隔離(4500V)、抗靜電(外端子直接接觸:8000V)的相關技術送檢中,順利通過高隔離/抗浪涌/防靜電測試。目前已在電力儀器儀表制造行業廣泛使用。
產品技術參數
輸入電壓
5, 12, 15, 24 VDC
輸出電壓
3.3,5,9,12,15VDC
如需其它規格,請咨詢順源科技公司
電氣特性
以下數據除特殊說明外,均是在TA=25° C, 標稱輸入電壓, 額定輸出電流時測得.
輸入特性
電壓范圍 +/- 10%*標稱值
濾波 陶瓷電容
隔離特性
電壓 6000 VAC
泄漏電流 1 mA
電阻 109 Ohm
電容 60 pF type.
輸出特性
靜電等級 ≥8000V
電壓精度 +/- 2%*標稱值 max.
( 20 MHz BW) 紋波及噪音 50mV p-p, max.
可持續短路時間 長期
線性電壓校準 +/- 1.2% / 1.0% of Vin
負載電壓校準 +/- 8 %, load = 20 ~ 100
溫度系數 +/- 0.02%/°C
一般特性
效率 70% to 80%
開關頻率 80 - 125KHz
環境特性
工作溫度( 環境) - 40° C to + 85° C
存儲溫度 - 55 °C to + 125 °C
降低定額值 見溫度特性曲線圖
濕度 ≤ 90%, 非壓縮
冷卻方式 自然空冷
體積特性
SIP 封裝尺寸 19.50 x 9.80 x 12.50 mm
0.77 x 0.39x 0.49英寸
重量 4 — 6 g
外殼材料 非傳導阻燃黑塑料
產品外形尺寸

|
電力儀器儀表RS485/232通訊接口抗浪涌防靜電高隔離模塊電源 相關產品信息 |
|
|
順源科技根據電能表、配電負荷檢測儀、電力負荷控制終端、用電管理終端等電力行業儀器儀表制造廠商要求,按照最新國家電力行業標準(DL) DL/T614-2007的相關規定設計生產出一系列電力儀器儀表RS485接口抗浪涌防靜電高隔離模塊電源。 這些電力行業專用的DC-DC模塊電源已通過三相電能表(DL) DL/T614-2007招標檢驗,具有抗浪涌4KVAC(6KVDC)高隔離、8KV防靜電、輸出穩壓(1% 精度)、輸出有自恢復過載短路保護等功能。 ±5VDC/±9VDC/±12VDC/±15VDC 正負雙電壓輸出; ++5VDC/++9VDC/++12VDC/++15VDC 雙隔離雙路電壓輸出等。 符合國家電力行業標準(DL) DL/T614-2007中相關規定設計的產品有:
GxxxxS-xW系列:±5VDC/±9VDC/±12VDC/±15VDC 定電壓雙輸出,無穩壓及自恢復過載短路保護功能,空載時輸出電壓會升高。詳細技術資料:http://www.sun-yuan.com/download/html/DownDetail_62.html
詳細技術資料:http://www.sun-yuan.com/download/html/DownDetail_60.html 詳細技術資料:http://www.sun-yuan.com/download/html/DownDetail_39.html
VDH / WDH系列:++5VDC/++9VDC/++12VDC/++15VDC 寬電壓輸入/穩壓雙隔離雙路輸出,有自恢復過載短路保護功能,空載時輸出電壓不變。 詳細技術資料:http://www.sun-yuan.com/products/html/PDetail_101.html 詳細技術資料:http://www.sun-yuan.com/download/html/DownDetail_59.html |
DC-DC模塊電源產品選型、檢測及外接保護參考方法
(1)DC-DC模塊電源外接保護電路參考.
詳細技術資料:http://www.sun-yuan.com/download/html/DownDetail_150.html
(2)DC-DC模塊電源選型
詳細技術資料:http://www.sun-yuan.com/download/html/DownDetail_151.html
(3)DC-DC模塊電源高壓隔離檢測,電源模塊主要參數檢測.
詳細技術資料:http://www.sun-yuan.com/download/html/DownDetail_149.html
(4)DC-DC模塊電源應用指南(外接濾波電容選擇).
詳細技術資料:http://www.sun-yuan.com/download/html/DownDetail_64.html
順源科技DC-DC模塊電源常用產品簡介
(1) 門禁刷卡機專用隔離模塊電源:IB0505S-1W;IB0512S-2W;IB0305S-W5
IB/VB系列 VBXXXXS-1W/2W產品,輸入與輸出之間的隔離電壓1KVAC,抗干擾能力強。定電壓輸入穩壓輸出(標稱誤差< 2%),輸出具有自恢復過載短路保護功能。標準SIP 7 Pin/DIP 14 Pin阻燃封裝。
詳細技術資料:http://www.sun-yuan.com/download/html/DownDetail_63.html
(2) RS485/422/232/CAN總線接口隔離電源:B0505S-1W;B0509S-W1;B0305S-W5
B系列 BXXXXS-W5/1W產品,輸入與輸出之間的隔離電壓1KVAC。定電壓輸入非穩壓輸出(標稱誤差< 5%),標準SIP 4 Pin/DIP 8 Pin 低成本、小體積阻燃封裝。在計算機232/485遠程通訊及智能控制等行業廣泛應用。
詳細技術資料:http://www.sun-yuan.com/download/html/DownDetail_40.html
(3) 配電負荷檢測儀、用電管理終端485接口抗浪涌防靜電高隔離模塊電源:E /F /G /H/ WRF /WRE /VDH系列
根據配電負荷檢測儀、用電管理終端等電力行業儀器儀表制造廠商要求,按照國家電力行業標準(DL) DL/T614-1997、(DL) DL/T614-2007中的相關規定設計生產了系列電力儀器儀表RS485接口抗浪涌防靜電高隔離模塊電源。這些電力行業使用的DC-DC模塊電源具有:抗浪涌4KVAC/6KVAC高隔離、8KV防靜電、輸出穩壓(2%精度)、輸出有自恢復過載短路保護等功能。產品常用規格有:3KVAC/6KVAC高隔離,輸出功率0.2W/0.5W/1W/2W,5VDC/9VDC/12VDC/15VDC 單電壓輸出、±5VDC/±9VDC/±12VDC/±15VDC 正負雙電壓輸出和++5VDC/++9VDC/++12VDC/++15VDC 雙隔離雙路電壓輸出等。
詳細技術資料:http://www.sun-yuan.com/download/html/DownDetail_39.html
詳細技術資料:http://www.sun-yuan.com/products/html/PDetail_30.html
(4) 電能表專用6KVAC高隔離防靜電DC/DC 電源模塊:WRH系列
專為國網多功能電能表配套設計的DC-DC防靜電系列模塊電源,具有輸出穩壓自恢復過載短路保護及8KV抗浪涌靜電保護功能。
詳細技術資料:http://www.sun-yuan.com/download/html/DownDetail_60.html
(5) 工控自動化設備DC/DC雙隔離回路模塊電源:D050512S-1W;D240505S-2W;D050505S-1W
D S系列定壓輸入,1KVAC雙隔離雙回路非穩壓輸出DC-DC模塊電源主要用于儀器儀表,變送器,數控設備等需要多個分布電源隔離的場合。 標準SIP 7 Pin/DIP 14 Pin阻燃封裝。
詳細技術資料:http://www.sun-yuan.com/download/html/DownDetail_11.html
(6) 醫療儀器儀表高壓輸出模塊電源:GRBxxxxD-xW
9~18VDC,18~6VDC的(2:1)寬電壓輸入,100VDC、120VDC、150VDC高電壓輸出,功率密度較大。廣泛用于醫療儀器儀表制造行業。
詳細技術資料:http://www.sun-yuan.com/download/html/DownDetail_29.html
(7) 電池供電專用寬電壓輸入穩壓輸出電源模塊:KRBxxxxD-xW
適用于車載設備的電源轉換器,9~18V/18~36V/9~36V寬輸入電壓范圍,非隔離穩壓輸出。
詳細技術資料: http://www.sun-yuan.com/download/html/DownDetail_56.html
(8) 隔離變送器兩線制回路取樣配電專用電源:BHK系列
專為壓力、位移、溫濕度等兩線制傳感器與變送器之間的隔離供電與配電而設計,產品具有高隔離、小體積、超低功耗等特點,廣泛用于數控機床,儀器儀表,工控智能化等領域。
詳細技術資料:http://www.sun-yuan.com/download/html/DownDetail_57.html
(9)計算機機房、智能家居控制總站專用一進四出隔離分配電源:DIN 1X4 VDH系列
產品內部采用DC-DC混合集成模塊組合構成,通過將單路輸入直流電壓隔離轉換,可獲得四路輸出為一致或分別不同的直流電源電壓,并且各回路都增加了浪涌抑制保護電路。產品在滿足輸入輸出之間4KVAC脈沖群隔離,輸出1/輸出2/輸出3/輸出4之間2KVAC隔離的基礎上,每路輸出都具有8KV防靜電和自恢復過載短路保護功能,保護現場儀器設備免受浪涌沖擊損壞,以保證工業現場用電安全可靠。
詳細技術資料:http://www.sun-yuan.com/download/html/DownDetail_113.html


































第1年
通過認證 







支持差分信號輸入,壓力應變橋傳感器
順源科技電力醫療儀器儀表行業專用1
深圳市順源科技二線制無源型I/V轉換
傳感器專用隔離放大器配電器
二線制無源型I/V轉換器
隔離調理器(用有源信號調理控制有
4-20mA與0-10V模擬量轉換兩隔離變送
多種用法隔離放大器ISO R-P-O-A
防干擾輸入通道隔離型數據采集器
深圳市順源科技數字量轉模擬信號數

手機圖頁網



