- 尺寸:
- 34*24*16.5mm
- 隔離耐壓:
- 3000VAC
- 質保年限:
- 3年
電源模塊公司現貨供應AC-DC電源模塊產品,有3W、5W、7W、12W、24W、36W等。一直以來求質量,價格,誠信希望各企業單位來函來電洽談。
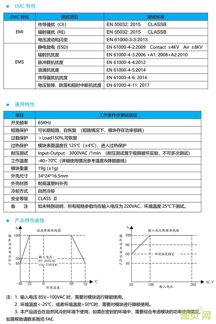
產品應用:
廣泛應用于工業電氣設備、機械設備、自動化設備、手持電子設備、無線網絡、通信、儀器儀表、智能化等多個領域。
產品特性:
1、全球通用范圍交流或直流輸入
2、效率高、高功率密度
3、穩壓輸出、低紋波噪聲
4、體積小: 34*24*16.5mm
5、保護種類:過載保護/短路保護/過熱保護
6、內置 EMC 電路 符合 EN55032 Class B
7、Class Ⅱ 隔離級別(安規)
8、待機低功耗,綠色環保
9、PCB 焊接方式
10、塑料外殼,自然冷卻
11、三年質保




































第1年





機器人AC-DC電源模塊24v12w高性能
三相380伏轉12v超寬輸入AC-DC模塊電
3W AC-DC電源模塊24V小體積集成電源
AC-DC電源模塊7W5V降壓隔離開關電源
AC-DC雙路隔離電源模塊5v24v雙組穩
三相交流380V轉5V隔離電源模塊小體
手機圖頁網



