掃碼關注
圖頁網微信掃碼關注
用手機查看
催化裂化工藝過程
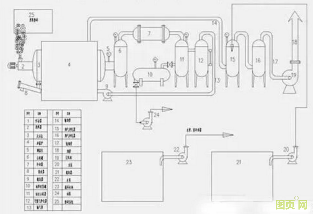
加氫裂化裝置反應系統工藝流程
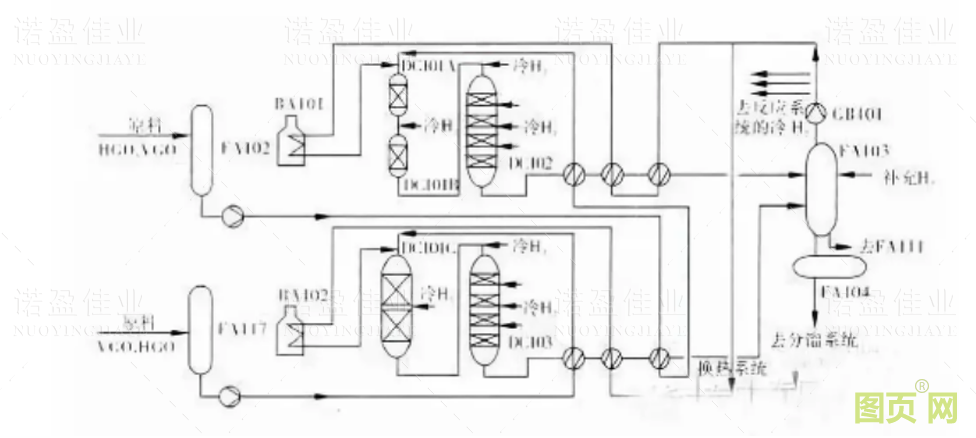
加氫裂化流程圖
氫氣再接觸部分流程
加氫裂化工藝流程圖
重整工藝流程圖
反再部分工藝流程
煉油事業部物流簡圖
化工事業部物流簡圖
化工產品圖
石油化工行業流程-原油冶煉利潤及工藝分析
天然氣下游生產工藝流程示意圖-RLGA在石油天然氣上的應用
石化化纖產業鏈流程圖
常減壓蒸餾裝置原則工藝流程圖
連續裝置預處理系統流程圖
分段式煉油工藝流程圖
煉油設備流程圖
燒結煙氣脫硫
免責聲明:本站部份內容系網友自發上傳與轉載,不代表本網贊同其觀點;如涉及內容、版權等問題,請在30日內聯系,我們將在第一時間刪除內容!
“一機多能”時代來了!多功能五金設備成中小廠標配
從家庭到公寓樓,智能門鎖正在重構“空間安全感”
從機械鎖到AI門鎖:智能門鎖的技術躍遷全圖譜
第 33 屆多國儀器儀表展8月13日在長沙盛大開幕!
周一至周五 09:00 - 17:30
手機圖頁網
微信公眾號
圖頁網
粵ICP備15107395號
登錄
注冊
咨詢
頂部