摘 要:
電路隔離的主要目的是通過隔離元器件把噪聲干擾的路徑切斷,從而達到抑制噪聲干擾的效果,使電子電氣設備符合電磁兼容性的要求。通過對測量電路中幾種常用的隔離電路的分析,揭示這些隔離電路實現抑制噪聲并使設備符合電磁兼容性的要求。

1 引言
工業過程控制和數據采集過程中,被測量或控制的對象的參數往往是溫度、壓力、液位、流量等物理量。這些連續變化的物理量經過傳感器采集放大和A /D 轉換后, 與數據處理系統 ( 計算機) 相連。但是在進行現場測量時,各種電磁干擾信號都會隨著被測量信號進人測量系統中,這些干擾信號即噪音疊加在有用的被測信號上,使測量的準確度降低。另一方面,由于測量系統與被測信號共地產生的干擾也造成測量系統的精度和穩定穩定性降低,影響系統的正常工作, 嚴重時將導致死機。解決模擬信號通道引入噪音的一個有效的方法就是采用隔離技術,即將產生噪音的噪音源與測量系統隔離開來。
2,電路隔離分類
數字量輸入隔離方式主要采用脈沖變壓器隔離、光電耦合器隔離;而數字量輸出隔離方式主要采用光電耦合器隔離、繼電器隔離、高頻變壓器隔離(個別情況下采用);模擬電路的隔離比較復雜,要考慮模擬信號的精度、線性度、頻率響應、噪聲響應等,特別要考慮系統對傳 輸通道的精度要求,對精度要求越高,其通道的成本也可能越高。模擬電路的隔離主要采用變壓器、互感器、直流電壓隔離器、線性隔離放大器等隔離方法。
3,數字電路隔離
數字電路隔離有很多種方法,這里探討的是在工業測控領域常用的隔離方法,光耦隔離和脈沖變壓器隔離。
3.1,光耦隔離
光耦隔離是常用且方便有效的隔離方法,它是通過光電之間相互轉換,使測量系統與現場信號在電氣上隔離開,保證系統的安全。通常低速數字 I/O 信號采用光耦器件進行隔離。通過光耦器件隔離后將不同幅值的輸入信號轉換為標準 TTL 電平信號,并將通用平臺輸出的 TTL 信號轉換為與被測部件兼容的電平信號。這種隔離目的:是外部電信號與內部電路隔離,或者控制電路電信號與輸出高電壓大電流信號隔離,如下(a)、(b)圖所示。

(a) 外部輸入與內部電路的隔離 (b)控制輸出與外部電路的隔離
目前,大多數光電耦合器件的隔離電壓都在2.5kV以上,有些器件達到了8kV,既有高壓大 電流大功率光電耦合器件,又有高速高頻光電耦合器件(頻率高達10MHz),這些都是在選型的時候要根據設計應用需求而定。
3.2,脈沖變壓器隔離
脈沖變壓器是一種寬頻變壓器,初級與次級隔離。前級與后級互不成回路,要求波形傳輸時不失真,也就是要求波形的前沿,頂降都要盡可能小。由于脈沖變壓器傳遞輸入、輸出脈沖信號時不傳遞直流分量,因而在測量控制系統中得到了廣泛應用。一般來說,脈沖變壓器的信號傳遞頻率在1kHz~1MHz之間,新型的高頻脈沖變壓器的傳遞頻率可達到10MHz。典型電路如下(a)、(b)圖所示。

(a)高頻脈沖隔離應用 (b)隔離開關電源中的應用
4,模擬電路隔離
在工業控制中常用到的隔離有直流電源隔離和線性放大信號隔離,這里就探討這倆種模擬隔離。
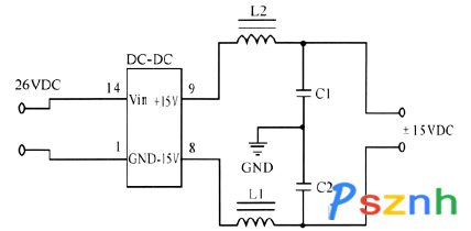
4.1,直流電源隔離
一種是直流電源DC/DC隔離模塊的使用,如下圖所示,26V直流電源輸入,產生+15V的隔離電源輸出。

另一種是專業的隔離控制IC,如MAX13256 為H橋變壓器驅動器,可以設計出高達10W的可調電壓的隔離電源。

4.2,線性放大信號隔離
具有直流分量和共模噪聲干擾比較嚴重的場合,模擬信號的測量和控制系統必須對輸入與輸出之間進行隔離,以消除噪聲的耦合。隔離可使模擬信號的測量、控制系統有如下好處:
(1)防止模擬系統干擾,尤其是電力系統的接地干擾進入邏輯系統,導致邏輯系統的工作紊亂。
(2)在精密測量系統中,防止數字系統的脈沖波動干擾進入模擬系統,尤其是前置放大部分,因為前置放大部分的信號非常微弱,較小的騷擾波動信號就會把有用信號淹沒。
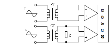
一種是對于高電壓大電流信號的隔離一般采用互感器隔離。如下圖所示:

另外一種是微電壓微電流隔離隔離方法,微電流模擬信號的隔離系統相對來說比較復雜,既要考慮其精度、頻帶寬度、溫漂等因素的影響,又要考慮其價格因素,對于具有較大的共模噪聲,且測量精度要求比較高的場合,應采取專門的隔離措施,可選擇高精度線性隔離放大器。

5,結束語
一般來說隔離電路的設計主要出于兩種考慮:第一,保護被測電路和測試電路,使其不至于因測試電路或被測電路的故障而影響整個系統的工作。第二,減小環境噪聲對測試電路的影響。為保護后級設備、保證測量結果的有效性,測試電路與被測電路必須做到嚴格的電氣隔離,隔離電路應具有較高的精度,但是同時也要考慮電路的成本和體積也要符合工程需要。

上海芯越信息科技有限公司成立以來,在壓力變送器板卡,溫度變送器模塊,液位變送器模塊等應用領域中,采用了高精度、低溫漂的集成電路,以及抗干擾、模塊化、屏蔽化等電子設計,極大的提供了產品的精度和穩定性。上海芯越信息科技有限公司通過不斷的技術創新和產品改進,幫助客戶提高其產品的核心競爭力以及在新的應用市場上占領先機。上海芯越科技可為壓力、溫度、工業自動化儀表領域的客戶提供可靠的、經濟的智能化整體解決方案。高級應用工程師 錢工 聯系電話18017768178
參考文獻
[1]侯正林.過程控制與自動化儀表[M].北京:機械工業出版社,2000
[2]孫立紅.傳感器及其接口技術[M].北京:石化出版社, 1998
[3]趙玉剛,邱東.傳感器基礎[M].北京:北京大學出版社,2006
[4]AD210 Precision,Wide Bandwidth 3 -Port Isolation Amplifier [Z].ANALOGDRVICES notebook,2010.



















手機圖頁網



